S&O Maritime Services delivers clear and detailed technical drawings essential for shipbuilding, vessel conversions, and offshore structure projects. Our drawings cover all phases—from initial concept layouts and general arrangement plans to detailed, class-approved fabrication and installation drawings. We ensure every drawing meets high standards of clarity and accuracy to facilitate smooth construction, regulatory compliance, and effective communication between stakeholders. Our expertise supports shipyards, classification societies, and clients by providing documentation that aligns perfectly with project requirements and timelines.

Our works

S&O Maritime News

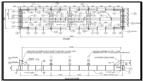
STRUCTURAL DRAWING

S&O Maritime News

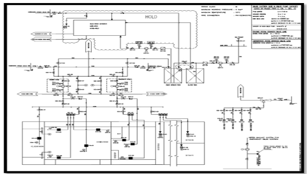
PIPING SCHEMATIC

S&O Maritime News

PRODUCTION DRAWING

S&O Maritime News

ELECTRICAL SLD